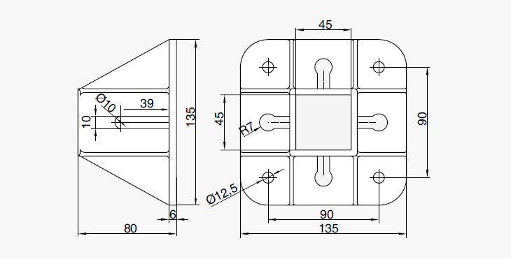
Alluminio pressofuso.
Elemento di fissaggio a pavimento per profili e strutture.
COD:
Informazioni aggiuntive
| Materiale | Alluminio pressofuso |
|---|---|
| Serie | Serie 45 cava 10, Serie 45 cava 8 |
Alluminio pressofuso.
Elemento di fissaggio a pavimento per profili e strutture.
COD:
| Materiale | Alluminio pressofuso |
|---|---|
| Serie | Serie 45 cava 10, Serie 45 cava 8 |