Profilo chiudicava in PVC plastificato
Stato di fornitura: rotoli da 20 m.
Selezionare un’opzione:
COD:
Descrizione
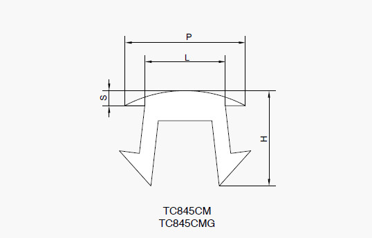
Profilo chiudicava semplice in materiale plastico.




Profilo chiudicava in PVC plastificato
Stato di fornitura: rotoli da 20 m.
Selezionare un’opzione:
COD:
Profilo chiudicava semplice in materiale plastico.



