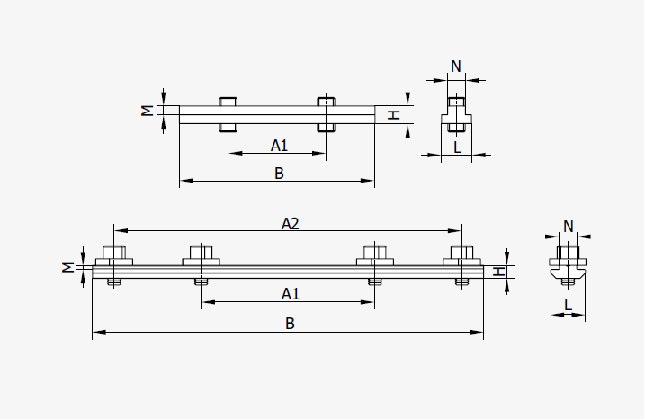
Giunto lineare per la realizzazione di collegamenti di testa tra profili senza necessità di lavorazioni meccaniche in acciaio zincato.
Il tiraggio si perfeziona, a seconda dell’accessorio, attraverso viti/bulloni con rondelle e grani.
COD:
Informazioni aggiuntive
| Materiale | Acciaio zincato |
|---|---|
| Serie | Serie 30 cava 8, Serie 40 cava 10, Serie 45 cava 10, Serie 45 cava 8 |








