Corso C. G. Allamano, 143/E – 10098 Rivoli (TO)
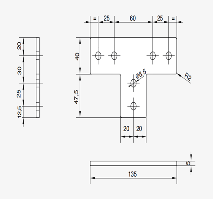
Elemento di collegamento esterno universale in acciaio zincato.
COD: GPGT40135
Richieste speciali o misure personalizzate: