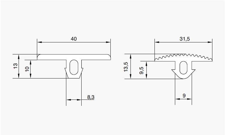
Profilo morbido per applicazioni su cave profilato in PVC nero

Stato di fornitura: rotoli da 20 metri.

COD:

Richieste speciali o misure personalizzate:

Descrizione

Informazioni aggiuntive

Codice

TC8AP, TM840AP