Corso Canonico Giuseppe Allamano, 143/E – 10098 Rivoli (TO)
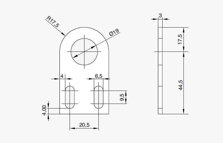
Battuta fermaporte ,in abbinamento al magnete CMM18A e, dove richiesto (vedi schema di montaggio), al distanziale CDFP1
COD: CSMFPA
Richieste speciali o misure personalizzate:
Acciaio zincato