Dispositivo antirotazione
Elemento di collegamento tra profili ortogonali con impedimento di rotazione relativa in acciaio zincato.
Dispositivo antirotazione
Tassello antirotazione con ingombro su una sola cava in acciaio zincato
Dispositivo antirotazione
Accessorio di collegamento tra profili per impedimento rotazione relativa in acciaio zoncato.
Utilizzabile in caso di montaggi con foro passaggio chiave e foro lamato.Giunto lineare
Giunto lineare per la realizzazione di collegamenti di testa tra profili senza necessità di lavorazioni meccaniche in acciaio zincato.
Il tiraggio si perfeziona, a seconda dell’accessorio, attraverso viti/bulloni con rondelle e grani.Connessione rapida filettata di testa
Elemento di giunzione in acciaio zincato per il collegamento di testa tra due profili in alluminio, senza necessità di lavorazioni preliminari.
Il montaggio avviene avvitando gli inserti nelle cave corrispondenti ed inserendo la vite fornita nel kit.Raccordo di collegamento di testa
Giunto in zinco pressofuso per collegamento di testa tra profilo in alluminio.
Il collegamento si perfeziona con una vite in acciaio zincato a testa ribassata di lunghezza idonea, fornita nel kit.Giunto lineare semplice
Giunto lineare in acciaio zincato per la realizzazione di collegamenti di testa tra profili senza necessità di lavorazioni meccaniche.
Il tiraggio si perfeziona attraverso grani inclinati per maggiore facilità di montaggio.Giunto snodato
Giunto snodato in acciaio zincato per la realizzazione di collegamenti ad angolo variabile tra profili tagliati a gradi e giuntati in testa, senza necessità di lavorazioni meccaniche.
Il tiraggio si perfeziona attraverso grani inclinati per maggiore facilità di montaggio.Giunto angolare
Giunto angolare in acciaio zincato per la realizzazione di collegamenti ad angolo fissato posizionabile all’interno della cava.
Piastra di collegamento
Piastra di collegamento in alluminio sabbiato per l’unione di più profili ortogonali.
Piastra di giunzione a T
Elemento di collegamento esterno universale in acciaio zincato.
Piastra di giunzione a L
Elemento di collegamento esterno universale in acciaio zincato.
Raccordo di collegamento
Giunto per collegamento tra profilo ortogonali in zinco pressofuso; il collegamento si perfeziona con una vite a testa ribassata di lunghezza idonea ed un dado a culla con sfera in acciaio zincato, forniti nel kit
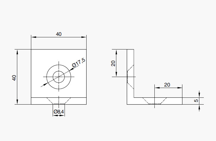
Raccordo centrale verticale-orizzontale
Il raccordo centrale in acciaio zincato consente di fissare in posizione ortogonale due profili, lasciando libere le cave per l’eventuale applicazione di pannelli o altri accessori.
Connessione rapida filettata
Il kit giunzione filettata in acciaio zincato permette di realizzare in maniera semplice connessioni ortogonali, senza necessità di lavorazioni preliminari. Il montaggio avviene avvitando l’inserto filettato nella cava e inserendo poi la vite ed il dado forniti nel kit.
Connessione rapida filettata doppia
Acciaio zincato
Elemento di collegamento tra profili ortogonali co doppia vite di tiraggio per applicazioni in cui è richiesta maggiore tenuta.
Elemento di giunzione senza fori
Acciaio zincato
Giunto per collegamenti ortogonali senza forature sul profilo; l’unica lavorazione richiesta è la maschiatura del foro centrale del profilo
Giunto rapido ortogonale
Acciaio zincato
Giunto per collegamenti rapidi tra profili ortogonali. Il montaggio non richiede lavorazioni meccaniche ed il serraggio si perfeziona attraverso il tiraggio di un grano M8 (chiave esagonale 4)
Giunto interno di fissaggio
Zinco pressofuso
Materiale di fissaggio: acciaio zincato
Giunto per collegamenti ortogonali senza lavorazioni sui profili
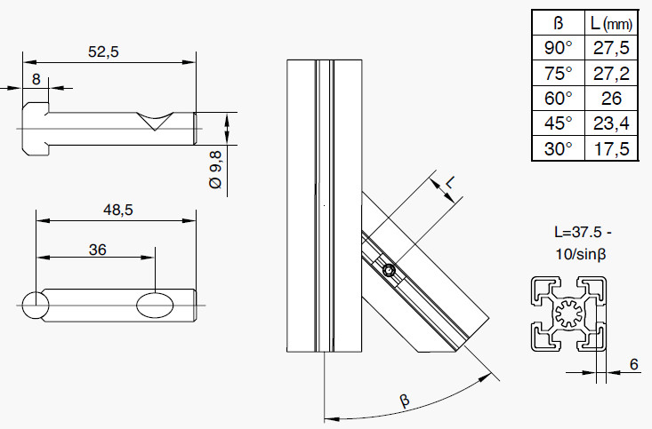
Raccordo regolabile 30°- 90°
Acciaio zincato
Giunto per collegamenti tra profili a taglio obliquo con angolo variabile (da 30° a 90°). È richiesta una foratura per passaggio grano Ø 8.2 mm a distanza L variabile a seconda dell’angolo.
Staffa ad angolo 45°
Alluminio anodizzato
Staffa ad angolo per collegamenti senza lavorazioni di foratura
Angolare di fissaggio
Alluminio pressofuso sabbiato
Gli elementi di giunzione angolari sono adatti per rinforzare i collegamenti tra i profili o per realizzarne senza esecuzione di lavorazioni meccaniche.
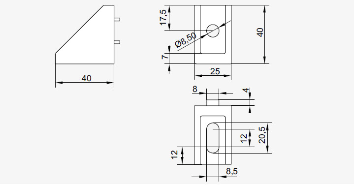
Angolare di fissaggio
Alluminio pressofuso sabbiato
Gli elementi di giunzione angolari sono adatti per rinforzare i collegamenti tra i profili o per realizzarne senza esecuzione di lavorazioni meccaniche
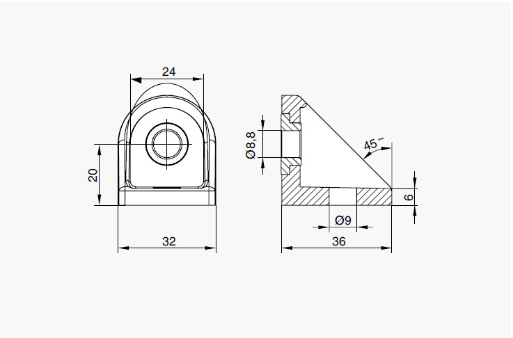
Angolare con antirotazione
Alluminio pressofuso
I giunti angolari co dentino anti-rotazione, mantenendo i requisiti di versatilità degli angolari semplici, aggiungono un risalto che va ad impegnarsi nella cava del profilo impedendone la rotazione e che può essere rimosso all’occorrenza. sono anche disponibili dei tappi specifici, per migliorare protezione e resa estetica
Tappi per angolari
Nylon PA rinforzato
In abbinamento ai giunti angolari con anti-rotazione, sono disponibili tappi per la chiusura del lato aperto. Opportuni riscontri ne agevolano il montaggio
Angolare di collegamento 45°
Acciaio zincato
Il giunto angolare permette il posizionamento reciproco tra profili ad un angolo fissato di 45°
Angolare aggancio rapido
Acciaio zincato
Giunto per collegamenti rapidi e flessibili tra profili aventi una faccia tangente, per la realizzazione di angoli variabili
Angolare snodato di fissaggio
Acciaio zincato
Giunto per collegamenti flessibili tra profili con facce tangenti, con boccola di posizionamento per realizzazione di collegamenti ad angolo variabile
Giunto snodato a vite
Acciaio zincato
Il giunto snodato a vite permette di realizzare giunzione ad angolo variabile; serrando o allentando le viti si può variare in modo continuo la forza di attrito esercitata nel giunto, oppure fissare i profili ad una posizione specifica. Sono dotati di tasselli anti-rotazione adattabili a profili con larghezza cava diversa.







































